EnglishEnglish
whisper flow fan filter unit
Home » Blogs » Cigeair || What's Emergency Eyewash & Shower?

Cigeair || What's Emergency Eyewash & Shower?

Views: 0     Author: Site Editor     Publish Time: 2026-03-21      Origin: Site

Inquire

facebook sharing button
twitter sharing button
line sharing button
wechat sharing button
linkedin sharing button
pinterest sharing button
whatsapp sharing button
kakao sharing button
sharethis sharing button

Emergency Eyewash & Shower

Emergency Eyewash & Shower-1


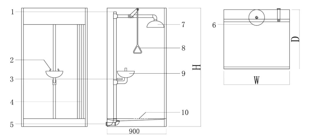
Description:


1. Water inlet

2. 6610 composite emergency eye washer

3. Hand-pressing adjustment switch

4. ESD PVC curtain

5. Water outlet

6. Base

7. Shower nozzle

8. Hand-pulling spray switch

9. Eye wash basin

10. Mesh floor


Main technical parameters:


Emergency Eyewash & Shower-2


Product features:


1. It is used for cleaning eyes, face, hands and other body parts


2. The switch ball valve of the eye washer can be started quickly within 1s


3. Shower nozzle has a flow of 120-180 l/min, and eye washer nozzle of 12 l/min


4. It has good resistance to oil, acid, alkali, salt solution, etc.


5. It is suitable for installation in cleaning shops of electronics industry and sites where sewage needs to be centrally treated


6. The air shower is equipped with a shower nozzle and eye wash nozzle, as well as water-collecting tray and drainage interface at the bottom


7. The nozzles are made of high-density ABS/304# stainless steel, with built-in stainless steel strainer to filter water impurities


8. The eye wash basin height is appropriate, with the hole height and angle design in full accordance with facial proportions, and double-water hole outlet design in line with ergonomic principles


9. The principle of slow pressure is used to make the water flow out gentler, so that excessive water will not hurt the eye mask and nerves inside the eye during use


10. The main material is 304# high-quality stainless steel coated with bright yellow ABS, with a coating thickness of 3 mm (including drape and water tray). A carbon steel pedal is also equipped to realize hand and foot linkage, thus featuring easy operation, high strength and solid structure


 Tel: +86-755-89526537
           +86-755-89526536
 Email: zksjjh@zksjjh.com
 Add: Room 1819, Building 5A, Fenglong Shengang, No. 333 Longfei Avenue, Longcheng Street, Longgang District, Shenzhen, Guangdong

Quick Links

Product Category

Copyright © 2025 TKSAGE (Shenzhen) Technology Group Co., Ltd. All Rights Reserved I Sitemap I Privacy Policy